產品類型: 電化學氣體傳感器模組
產品型號: GM31P
聲明: 柯力傳感保留更改產品設計、規格、參數的權利及資料信息的最終 解釋權。欲了解更多關于柯力產品的信息,請致電柯力公司,索取更多詳 細的技術資料。

產品描述
GM31P型電化學甲醛模組是一個通用型、小型化模組。利用電化學原理對空氣中存在的CH2O進行探測,具有良好的選擇性,穩定性。內置溫度傳感器,可進行溫度補償;同時具有數字輸出與模擬電壓輸出方式,方便使用。GM31P是將成熟的電化學檢測技術與精良的電路設計
緊密結合,設計制造出的通用型氣體模組。
模組特點
高靈敏度、高分辨率、低功耗、使用壽命長提供 UART數據輸出方式
高穩定性、優秀的抗干擾能力、卓越的線性輸出
主要應用
便攜式儀表、空氣質量監測設備、空氣凈化機、新風換氣系統、空調、智能家居設備等場所。
技術指標
產品型號 | GM31P |
檢測氣體 | 甲醛 |
干擾氣體 | 酒精,一氧化碳等氣體 |
輸出數據
| UART 輸出(3.3V 電平) |
工作電壓 | 3.7V~5.5V |
預熱時間 | ≤3 分鐘 |
響應時間 | ≤60 秒 |
恢復時間 | ≤60 秒 |
量程 | 0~5.000 mg/m3 |
分辨率 | ≤0.010 mg/m3 |
工作溫度 | -20℃~50℃ |
工作濕度 | 15%RH-90%RH(無凝結) |
存儲溫度 | 0~25℃ |
使用壽命 | 2 年(空氣中 0℃~35℃) |
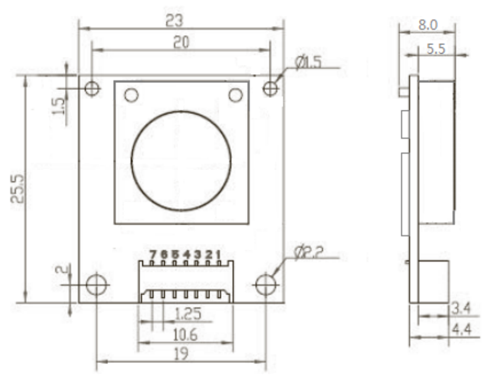
模組尺寸 | 長23mm×寬25.5mm×高6.5mm |
模組尺寸

管腳定義
管腳名稱 | 管腳說明 |
Pin1 | NC |
Pin2 | NC |
Pin3 | GND |
Pin4 | Vin(電壓輸入 3.7V~5.5V) |
Pin5 | UART(RXD) 0~3.3V 數據輸入 |
Pin6 | UART(TXD) 0~3.3V 數據輸出 |
Pin7 | NC |
通訊協議
1 通用設置
波特率 | 9600 |
數據位 | 8 位 |
停止位 | 1 位 |
校驗位 | 無 |
2 通訊命令
通信分為主動上傳式和問答式,出廠默認主動上傳,每間隔1S發送一次濃度值。
如果用戶切換到問答模式下,需要重新切換為主動上傳時,發送如下命令行格式即可:
Byte0 | Byte1 | Byte2 | Byte3 | Byte4 | Byte5 | Byte6 | Byte7 | Byte8 |
起始位 | 保留 | 切換命令 | 主動上傳 | 保留 | 保留 | 保留 | 保留 | 校驗值 |
0xFF | 0x01 | 0x78 | 0x40 | 0x00 | 0x00 | 0x00 | 0x00 | 0x47 |
主動上傳的數據顯示格式如下:
Byte0 | Byte1 | Byte2 | Byte3 | Byte4 | Byte5 | Byte6 | Byte7 | Byte8 |
起始位 | 氣體名稱 (CH2O) | 單位 (ppb) | 小數位數 無 | 氣體濃度 高位 | 氣體濃度 低位 | 滿量程 高位 | 滿量程 低位 | 校驗值 |
0xFF | 0x17 | 0x04 | 0x00 | 0x00 | 0x25 | 0x13 | 0x88 | 0x25 |
注釋: 氣 體 濃 度 值 (PPB)=( 氣 體 濃 度 高 位 *256+ 氣 體 濃 度 低 位 ). 當轉換為 PPM 時: PPM= PPB/1000.
1PPM×1.25 = 1.25mg/m3.
當用戶需要問答模式時,可通過發送如下命令格式來關閉主動上傳的數據,再發送讀取濃度的命令即可。關閉主動上傳的命令行格式如下:
Byte0 | Byte1 | Byte2 | Byte3 | Byte4 | Byte5 | Byte6 | Byte7 | Byte8 |
起始位 | 保留 | 切換命令 | 問答 | 保留 | 保留 | 保留 | 保留 | 校驗值 |
0xFF | 0x01 | 0x78 | 0x41 | 0x00 | 0x00 | 0x00 | 0x00 | 0x46 |
問答模式下,讀取濃度的命令格式如下:
表 7
Byte0 | Byte1 | Byte2 | Byte3 | Byte4 | Byte5 | Byte6 | Byte7 | Byte8 |
起始位 | 保留 | 命令 | 保留 | 保留 | 保留 | 保留 | 保留 | 校驗值 |
0xFF | 0x01 | 0x86 | 0x00 | 0x00 | 0x00 | 0x00 | 0x00 | 0x79 |
返回的傳感器濃度值顯示格式如下:
表 8
Byte0 | Byte1 | Byte2 | Byte3 | Byte4 | Byte5 | Byte6 | Byte7 | Byte8 |
起始位 | 命令 | 氣體濃度高位 (ug/m3) | 氣體濃度低位 (ug/m3) | 保留 | 保留 | 氣體濃度 高位(ppb) | 氣體濃度 低位(ppb) | 校驗值 |
0xFF | 0x86 | 0x00 | 0x2A | 0x00 | 0x00 | 0x00 | 0x20 | 0x30 |
氣體濃度值=氣體濃度高位*256+氣體濃度低位
3 校驗和計算
校驗和 = (取反(Byte1+Byte2+……+Byte7))+ 1
參考例程如下:
/**********************************************************************
* 函數名: unsigned char FucCheckSum(uchar *i,ucharln)
* 功能描述:求和校驗(取發送、接收協議的1\2\3\4\5\6\7的和取反+1)
* 函數說明:將數組的元素1-倒數第二個元素相加后取反+1(元素個數必須大于2)
**********************************************************************/
unsigned char FucCheckSum(unsigned char *i,unsigned char ln)
{
unsigned char j,tempq=0; i+=1;
for(j=0;j<(ln-2);j++)
{
tempq+=*i; i++;
}
tempq=(~tempq)+1; return(tempq);
}
交叉干擾特性
本傳感器模組能對除目標氣體外的其它部分氣體產生響應。現將該傳感器對幾種常見干擾氣體的響
應特性列于下表,以供參考。表中數據為氣體在給定濃度下的典型響應。
表 2: 交叉干擾特性
氣體 | 濃度/PPM | HCHO等同濃度/PPM |
甲醛 | 5 | 5 |
苯 | 10 | 0.1 |
甲苯 | 10 | 0.46 |
乙酸 | 200 | 0.52 |
酒精 | 100 | 40.6 |
硫化氫 | 50 | 3 |
一氧化碳 | 200 | 0.64 |
注意事項
n 安裝2.54mm接插針焊接時應快速完成上錫焊接,避免烙鐵長時間高溫對傳感器結構造成破壞;
n 使用前老化時間不少于 48小時;
n 電解液泄漏會造成損害,請勿隨意拆解傳感器;
n 傳感器避免接觸有機溶劑(包括硅橡膠及其它膠粘劑)、涂料、藥劑、油類及高濃度氣體;
n 所有電化學傳感器不可用樹脂材料完全封裝,也不可浸沒在無氧環境中,否則會損壞傳感
器的性能;
n 所有電化學傳感器不能長時間應用于含有腐蝕性氣體的環境中,腐蝕性氣體會損害傳感器;
n 氣體零點測定時,須在潔凈的大氣中進行;
n 傳感器測試和應用時,須避免正面垂直進氣;
n 傳感器的進氣面不得阻塞、不得污染;
n 傳感器上方防水透氣膜嚴禁揭開、人為損壞;
n 傳感器不可過度的撞擊或震動;
n 外殼有破損、變形等情況下請不要使用;
n 高濃度的氣體環境中長時間使用后,傳感器恢復到初期狀態較緩慢;
n 傳感器貯存時工作電極與對電極應處于短路狀態;
n 禁止用熱熔膠或者固化溫度高于 80℃以上的密封膠封裝傳感器;
n 禁止長時間在高濃度堿性氣體中存放和使用。