產品類型: 半導體氣體傳感器模組
產品型號: MGK-14D
聲明: 柯力傳感保留更改產品設計、規格、參數的權利及資料信息的最終 解釋權。欲了解更多關于柯力產品的信息,請致電柯力公司,索取更多詳 細的技術資料。

產品概述:
MGK-14D型空氣質量模組采用先進的片式厚膜半導體氣敏元件,該氣敏元件對甲醛、苯、一氧化碳、氨氣、氫氣、酒精、香煙煙霧、香精等有機揮發氣體具有極高的靈敏度,模組經過老化、調試、標定、校準,具有良好的一致性以及極高的靈敏度。
檢測氣體種類:甲醛、苯、一氧化碳、甲烷、氫氣、香煙、木材、紙張、酒、硫化氫、燃氣、甲烷、丙烷等可揮發性氣體
特點:
? 快速響應
? 數字信號輸出、應用簡單
? 長壽命(~ 5 年)
? 長期穩定性
? 可根據要求調整模塊靈敏度
主要應用:
? 民用、工業及環保中甲醛的檢測
? 物聯網、可穿戴設備
? 智能家居
技術指標:
型號 | MGK-14D空氣質量模組 |
傳感器接口 | XH2.54-4插座 |
檢測氣體 | 甲醛、苯、一氧化碳、甲烷、氫氣、香煙、木材、紙張、酒等可揮發性氣體 |
輸出數據 | 4等級TTL電平 |
輸出電壓 |
5.0±0.2V DC(無電壓反接保護)
|
工作電流 | ≤60mA |
響應時間 | ≤15s |
預熱時間 | ≤120S |
回復時間 | ≤60S |
工作溫度 | -10°-70° |
工作濕度 | ≤90%RH |
存儲濕度 | ≤60%RH |
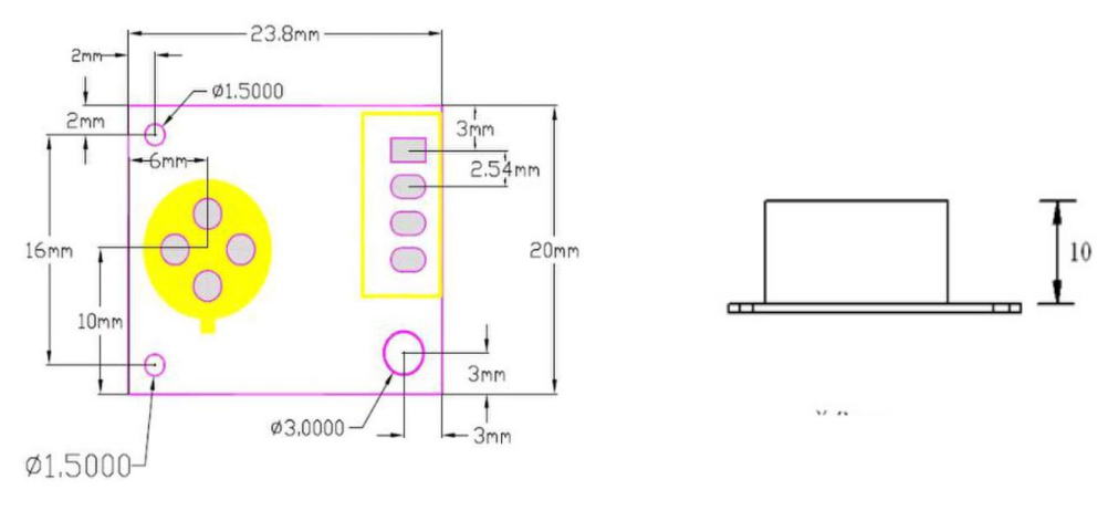
外形尺寸 | 24x20x1.5mm L*W*H |
重量 | ≤20g |
使用壽命 | 5年 |
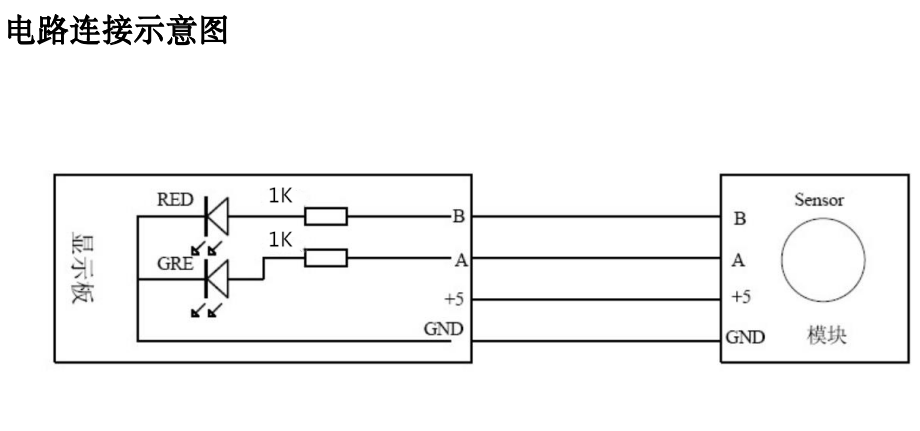
端口定義:
端口名 | 接口用途 |
端口1 | 接電源負極(-) |
端口2 | 接電源正極(+) |
端口3 | A |
端口4 | B |
輸出信號定義
污染等級 | A | B |
0 | 0 | 0 |
1 | +5V | 0 |
2 | 0 | +5V |
3 | +5V | +5V |
模組尺寸:


注意事項:
1、模組避免接觸有機溶劑(包括硅膠及其它膠粘劑)、涂料、藥劑、油類及高濃度氣體。
2、模組不可經受過度的撞擊或震動。
3、模組初次上電使用需預熱 5 分鐘以上。
4、請勿將該模組應用于涉及人身安全的系統中。
5、請勿將模組安裝在強空氣對流環境下使用。
6、請勿將模組長時間放置于高濃度有機氣體中。
7、請嚴格按照模組的供電電壓給模組進行供電,電壓超過 5.5V 會導致模組不可逆轉的損壞。