產品類型: 管式半導體
產品型號: GK-Q4
聲明: 柯力傳感保留更改產品設計、規格、參數的權利及資料信息的最終 解釋權。欲了解更多關于柯力產品的信息,請致電柯力公司,索取更多詳 細的技術資料。

GK-Q4型氣體傳感器是甲烷氣體傳感器。傳感器所使用的氣敏材料是在清潔空氣中電導率較低的二氧化錫(SnO2)。當傳感器所處環境中存在可燃氣體時,傳感器的電導率隨空氣中可燃氣體濃度的增加而增大。使用簡單的電路即可將電導率的變化轉換為與該氣體濃度相對應的輸出信號。
產品型號 | GK-Q4 | ||
產品類型 | 平面半導體氣敏元件 | ||
標準封裝 | 膠木、金屬罩 | ||
檢測氣體 | 甲烷、天燃氣 | ||
檢測濃度 | 300-10000ppm(甲烷、天燃氣) | ||
標準 電路 條件 | 回路電壓 | VC | ≤24V DC |
加熱電壓 | VH | 5.0V±0.1V ACorDC | |
負載電阻 | RL | 可調 | |
標準 測試 條件 下氣 敏元 件特 性 | 加熱電阻 | RH | 25Ω±5Ω(室溫) |
加熱功耗 | PH | ≤950mW | |
輸出電壓 | Vs | Vs 2.5V~4.0V (in 5000ppm CH4) | |
敏感體 電 阻 | RS | 1KΩ-20KΩ(in 5000ppm 甲烷) | |
靈敏度 | S | Rs(in air)/Rs(5000ppm甲烷)≥5 | |
濃度斜率 | α | ≤0.8(R5000ppm/R3000ppm甲烷) | |
標準測試條件 | 溫度、濕度 | 20℃±2℃;65%±5%RH | |
標準測試電路 | Vc:5.0V±0.1V; VH: 5.0V±0.1V | ||
預熱時間 | 不少于48小時 | ||
特點:
l 抗酒精 抗煙
l 穩定好、壽命長
l 成本低
l 體積小
l 應用電路簡單
主要應用:
● 用于家庭、工廠、商業用所的可燃氣體泄漏監測
裝置,防火/安全探測系統。
● 可燃氣體泄漏報警器,氣體檢漏儀。
管腳定義:

圖中未標注尺寸單位:mm
未標注尺寸公差:±0.1mm
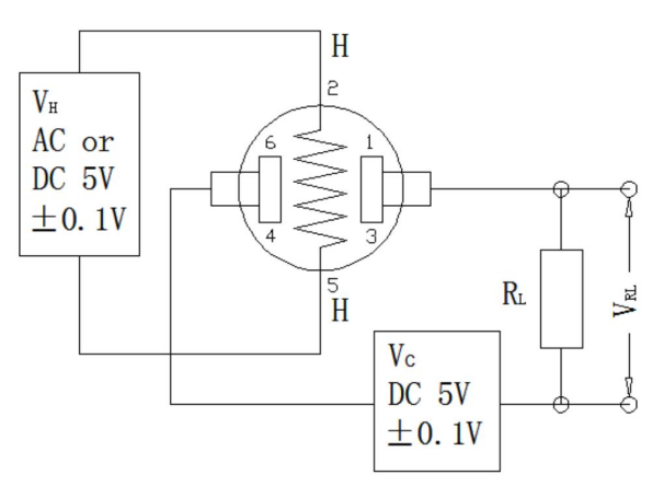
基本測試電路
說明:上圖為傳感器的基本測試電路。該傳感器需要施加 2個電壓:加熱器電壓(VH和測試電壓(VC)。其中 VH用于為傳感器提供特定的工作溫度, 可用直流電源或交流電源。 VRL是傳感器串聯的負載電阻(RL)上的電壓。VC是為負載電阻 RL提供測試的電壓,須用直流電源。

注意事項:
1 必須避免的情況
1.1 暴露于有機硅蒸氣中
如果傳感器的表面吸附了有機硅蒸氣,傳感器的敏感材料會被包裹住,抑制傳感器的敏感性,并且不可恢復。傳感器要避免暴露其在硅粘接劑、發膠、硅橡膠、膩子或其它含硅塑料添加劑可能存在的地方。
1.2 高腐蝕性的環境
傳感器暴露在高濃度的腐蝕性氣體(如H2S,SOX,Cl2,HCl等)中,不僅會引起加熱材料及傳感器引線的腐蝕或破壞,并會引起敏感材料性能發生不可逆的改變。
1.3 堿、堿金屬鹽、鹵素的污染
傳感器被堿金屬尤其是鹽水噴霧污染后,及暴露在鹵素如氟中也會引起性能劣變。
1.4 接觸到水
濺上水或浸到水中會造成敏感特性下降。
1.5 結冰
水在敏感元件表面結冰會導致敏感材料碎裂而喪失敏感特性。
1.6 施加電壓過高
如果給敏感元件或加熱器施加的電壓高于規定值,即使傳感器沒有受到物理損壞或破壞,也會造成引線和/或加熱器損壞,并引起傳感器敏感特性下降。
2 盡可能避免的情況
2.1 凝結水
在室內使用條件下,輕微凝結水會對傳感器性能會產生輕微影響。但是,如果水凝結在敏感元件表面并保持一段時間,傳感器特性則會下降。
2.2 處于高濃度氣體中
無論傳感器是否通電,在高濃度氣體中長期放置,都會影響傳感器特性。
2.3 長期貯存
傳感器在不通電情況下長時間貯存,其電阻會產生可逆性漂移,這種漂移與貯存環境有關。傳感器應貯存在有清潔空氣不含硅膠的密封袋中。經長期不通電貯存的傳感器,在使用前需要長時間通電以使其達到穩定。
2.4 長期暴露在極端環境中
無論傳感器是否通電,長時間暴露在極端條件下,如高濕、高溫、或高污染等極端條件,傳感器性能將受到嚴重影響。
2.5振動
頻繁、過度振動會導致敏感元件引線產生共振而斷裂。在運輸途中及組裝線上使用氣動改錐/超聲波焊接機會產生這種振動。
2.6 沖擊
如果傳感器受到強烈沖擊會導致其引線斷線。
2.7 使用
對傳感器來說手工焊接是最理想的焊接方式。使用波峰焊是應滿足以下條件:
2.7.1 助焊劑:含氯最少的松香助焊劑
2.7.2 速度:1-2米/分鐘
2.7.3 預熱溫度:100±20℃
2.7.4 焊接溫度:250±10℃
2.7.5 1次通過波峰焊機
違反以上使用條件將使傳感器特性下降!